Станция водоподготовки в сельском поселении
Изготовили и установили блочно‑модульное сооружение, оснащённое оборудованием для очистки воды из скважины. Работа станции водоочистки синхронизирована с работой скважинных насосов, настроена передача данных о функционировании системы на диспетчерский пункт заказчика.
Основная информация по проекту
- Дата выполнения: 28.11.2024;
- Общий срок выполнения: 140 дней (с учетом времени производства оборудования);
- Адрес объекта: Свердловская обл.;
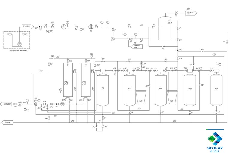
- Задача: подбор оптимальной технологической схемы очистки воды, производство оборудования для очистки воды в блочно-модульном исполнении “под ключ”. Озонирование в проекте использовалось для дезинфекции воды, снижения ОМЧ и цветности, а также для окисления железа перед подачей воды на сорбционные фильтры; для снижения жесткости применили ионообменные фильтры;
- Оборудование: Блочно-модульная станция озоновой водоподготовки ЭКОНАУ КСВ-10 – 1 штука;
- Выполненные работы: подготовка документации, производство, монтаж, пуско-наладка, прохождение технической экспертизы и передача в эксплуатацию;

Анализ исходной воды показал повышенное железа, микробиологическое загрязнение и повышенную жесткость. Для удаления железа и дезинфекции воды применили озонирование с последующей фильтрацией на напорных фильтрах с загрузками АС. Очищенная вода поступает на ионообменные фильтры для снижения показателя жесткости до требований СанПин. Ионообменные фильтры автоматически регенерируются в ночное время.



Станция озоновой водоподготовки с умягчением воды из скважины:
Оборудование «Эконау» для очистки воды из скважины
Все установки озонирования воды в каталоге >>>
Все универсальные озонаторные установки в каталоге >>>
Все блочно-модульные станции озоновой водоподготовки в каталоге >>>
