Озоно-фильтровальная станция: комплексная очистка воды
Выполнили изготовление и монтаж блочно‑модульного сооружения для размещения оборудования водоочистки. Внутри установили оборудование для очистки воды из скважины. Синхронизировали работу станции водоочистки с функционированием скважинных насосов и организовали передачу эксплуатационных данных системы на диспетчерский пункт заказчика.
Основная информация по проекту
- Дата выполнения: 28.11.2024;
- Общий срок выполнения: 140 дней (с учетом времени производства оборудования);
- Адрес объекта: Свердловская обл.;
- Задача: В рамках программы модернизации водоснабжения была создана озоно-фильтровальная станция, обеспечивающая комплексную очистку воды из артезианских скважин. Основная задача — гарантировать соответствие питьевой воды санитарным нормам и повысить её органолептические показатели;
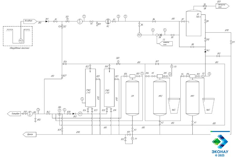
- Оборудование: Блочно-модульная станция озоновой водоподготовки ЭКОНАУ КСВ-10 – 1 штука;
- Выполненные работы: проектирование технологической линии очистки; производство блочно-модульного сооружения; установка озонаторного и вспомогательного оборудования для обеззараживания и удаления железа; снижение жесткости воды с помощью ионообменной системы.

Озоно-фильтровальная станция — современное решение для очистки воды в небольших населённых пунктах. В рамках проекта в сельском поселении была установлена блочно-модульная система, соединяющая технологии озонирования, сорбционной фильтрации и ионообменного умягчения.
Цель проекта
Обеспечить жителей качественной питьевой водой, соответствующей требованиям СанПин, снизить содержание железа, марганца, солей жёсткости и микробиологического загрязнения.
Этапы реализации
- Проектирование технологической схемы и подбор оборудования;
- Производство блочно-модульного сооружения с полной инженерной инфраструктурой;
- Монтаж озонатора производительностью 10 г/час, напорной фильтрации и ионообменного умягчения;
- Пуско-наладка оборудования и автоматизированной системы управления;
- Сдача в эксплуатацию.
Технология очистки
Озонирование воды. Подача озона через эжектор, уничтожение патогенной микрофлоры, окисление растворённых металлов.
Фильтры обезжелезивания. Удаление продуктов окисления железа и марганца в напорных фильтрах с сорбционной загрузкой.
Ионообменные фильтры. Снижение жёсткости воды, автоматическая ночная регенерация.
Преимущества озоно-фильтровальной станции
- Высокая степень обеззараживания;
- Эффективное удаление железа;
- Снижение жёсткости до нормы;
- Компактное блочно-модульное исполнение;
- Автоматическая работа и удалённый контроль.
Такое решение подходит для сельских поселений, фермерских хозяйств и промышленных объектов. Озонирование и фильтрация позволяют получать чистую и безопасную воду без применения хлорирования.



Станция озоновой водоподготовки для обеззараживания и удаления железа с умягчением воды из скважины:
Оборудование «Эконау» для очистки воды из скважины
Все установки озонирования воды в каталоге >>>
Все универсальные озонаторные установки в каталоге >>>
Все блочно-модульные станции озоновой водоподготовки в каталоге >>>
перейти в каталог
Выберите озонатор под ваши задачи: производительность, мобильность, тип генерации
перейти в каталог






